计量箱 电表箱
国网新标准计量箱
南网新标准计量箱
常规透明计量箱
整体式计量箱
组合式计量箱
集中式计量表箱
动力计量表箱
变压器防护罩
农排计量表箱
外贸计量表箱
金属箱体系列
高低压成套
高压开关设备
低压开关设备
箱式变电站
标识牌
变频器 软起动
变频器
软启动
无功补偿
智能复合开关
电容器
垃圾桶
塑料垃圾桶
钢木垃圾桶
钢板 冲孔垃圾桶
垃圾车
城市路灯
微型互感器
微型电压互感器
单相表用
抑直流分量
插针式
线圈式
装入式
地址:浙江省仙居县永安工业区丹霞路18号
总机: 0576-87979999 销售:0576-87827777
邮箱:172055296@QQ.COM
网址:Http://www.mispotify.com
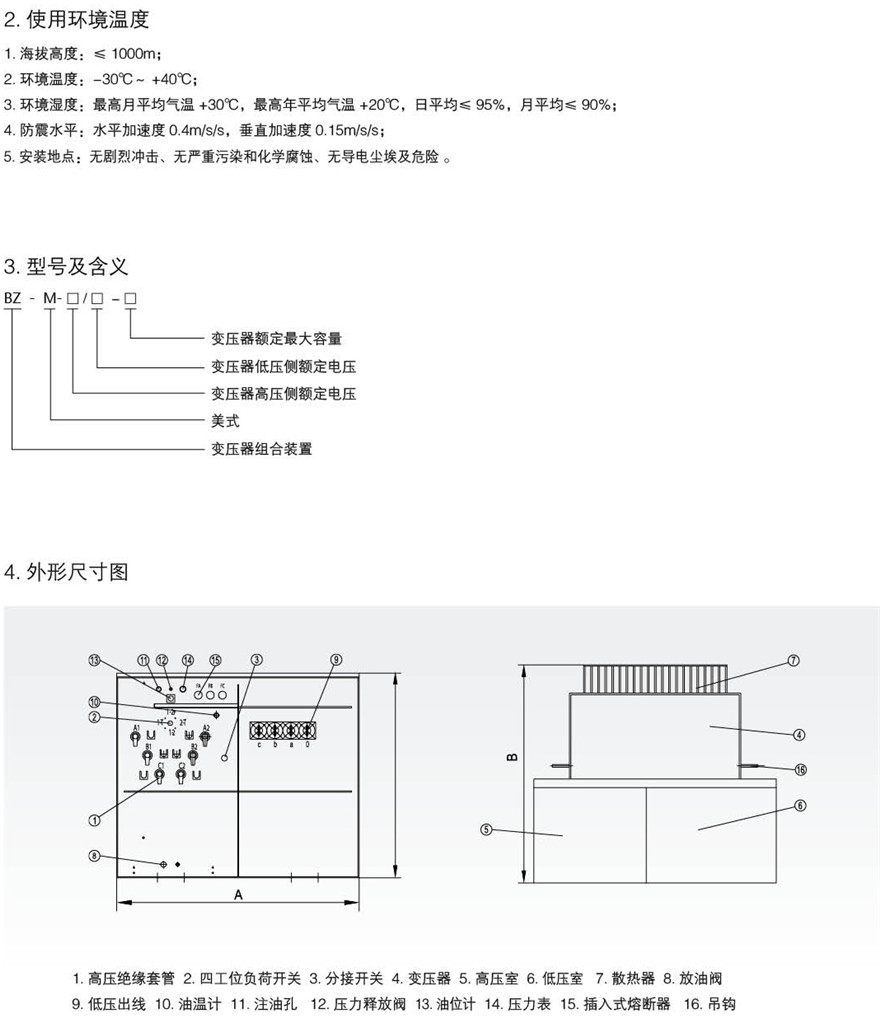
BZ-M变压器组合装置(美式箱变)
VCT-Z07
VCT-Z06
VCT-Z05
VCT-Z04
VCT-Z03
VCT-Z02
VCT-Z01
VCT-X03
现金买球 | 关于我们 | 人才招聘 | 网站地图 | 订阅 RSS
Copyright 2019 Http://www.mispotify.com现金买球 All Rights Reserved
公司地址:浙江省仙居县永安工业区丹霞路18号 电话:0576-87979999 总机:0576-87827777 E-mail:172055296@QQ.COM
Built By KC-IT V2.1 乐清网络公司 技术支持